Schommel staal Gegalvaniseerd Professioneel Openbaar Gebruik
Certificering
Dit toestel toestel voldoet aan de NEN1176 norm en is dus goedgekeurd voor gebruik op openbare speelterreinen. Dit toestel wordt geleverd met certificaat en logboek.
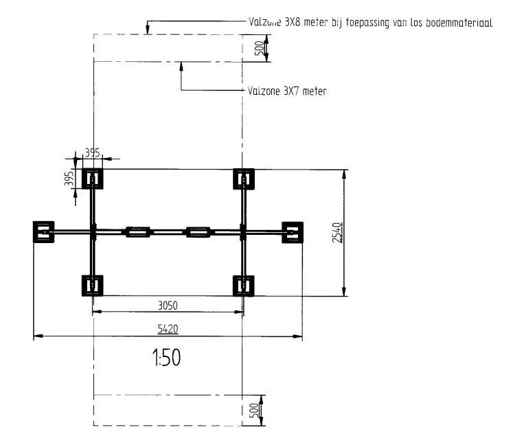
Een zeer solide schommel bestaande uit 6 staanders van thermisch verzinkt staal, met 4 schommelhaken. Incl. 2 rubber zittingen.
Het stalen schommelframe is ook leverbaar in div. andere uitvoeringen: mono-, trio en vierpersoons schommel, en daarnaast combinaties van schommelzitjes, peuterschommels en / of een vogelnestschommel.
Prijzen en specificaties: op aanvraag.
Max. valhoogte; 140 cm.
Obstakelvrije ruimte: 700 x 300 cm.


















Beoordelingen
Er zijn nog geen beoordelingen.